BRIEF INTRODUCTION
JZL/ZF evaporative condenserfan is an axial-flow fan made from new materials and new technology, and has the features of high efficiency, lownoise, simple construction and light weight.

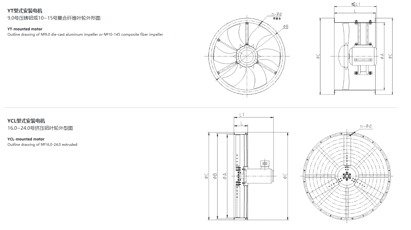
THE SPECIFICATIONS AND TRANSMISSION FORMS OF THE FAN
Specifications: this series ofcirculation fan axis forthe common low, according to the size of the impeller diameter 5.6, 6.3, 7.1 8.0, 9.0, 10, 12, 12.5, 13, 14, 15, 16, 18, 20, 22, 24immediately.
Transmission form: the motor is connected directly with the impeller
PERFOMANCE PARAMETER



EVAPORATIVE CLOOING FAN SHAPE DIAGRAM
